联系人:陈经理
手 机:15216812122
电 话:15000896443
地 址:上海市嘉定工业区叶城路912号J

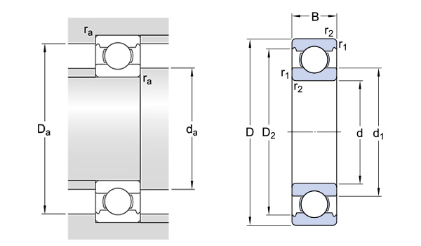
轴承特性
NTN深沟球轴承应用范围广,其内外圈滚道呈圆弧状深沟,可承受径向负荷、双向负荷,及其合成负荷。NTN深沟球轴承亦适用范围于高速旋转的应用场合。此类轴承中,有填入润滑脂的填脂轴承(双侧防尘盖或双侧密封圈轴承)、带止动环轴承等。使用这些NTN轴承可简化轴承箱的设计。
轴承类型
防尘盖,非接触式ZZ:钢板防盖在外圈;内圈上有V型密封槽并和防尘盖保持一定间隙。
密封圈,非接触式LLB:铁芯合成橡胶密封圈装在外圈上;密封圈的另一端对准内圈的V型密封槽,密封槽的表面和密封圈持一定间隙。
密封圈,接触式LLU:铁芯合成橡胶密封圈装在外圆上;密封圈的另一端对准内圈的V型密封槽。密封槽的表面和密封圈接触。
密封圈,低扭矩式LLH:基本构造与LU型类似,但密封圈的唇端是特殊设计,既防尘,亦减低了轴承扭矩。
Copyright © 2023 上海盛博特机电科技有限公司 All Rights Reserved. 沪ICP备2023021132号-1