联系人:陈经理
手 机:15216812122
电 话:15000896443
地 址:上海市嘉定工业区叶城路912号J

NSK备有品种繁多的深沟球轴承。深沟球轴承也是轴承中普通的种类,被应用于很多领域。
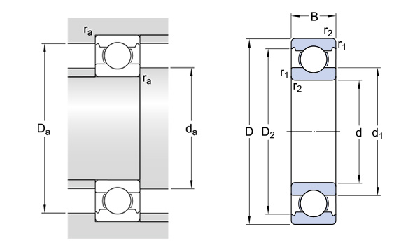
单列深沟球轴承
单列深沟球轴承,是滚动轴承中具有代表性的结构,用途广泛。
除承受径向负荷之外,还可以承受二个方向的轴向负荷。摩擦力矩小,适用于要求高速旋转,低噪音,低振动之用途。
这种轴承,除开放式之外,还有加钢板防尘盖的轴承,加橡胶密封圈的轴承,或者在外圈外径上附有止动环的轴承。一般多采用钢板冲压保持架。
深沟球轴承, 大尺寸的轴承则使用铜合金车制保持架。用于高速旋转时,也使用车制保持架。
Copyright © 2023 上海盛博特机电科技有限公司 All Rights Reserved. 沪ICP备2023021132号-1