联系人:陈经理
手 机:15216812122
电 话:15000896443
地 址:上海市嘉定工业区叶城路912号J

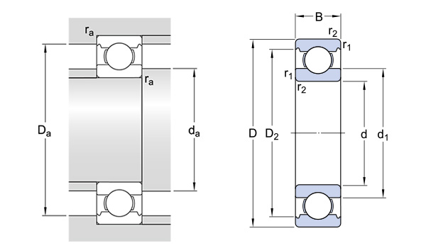
深沟球轴承是滚动轴承中最为普通的一种类型。
基本型的深沟球轴承由一个外圈,一个内圈、一组钢球和一组保持架构成。 深沟球轴承类型有单列和双列两种,深沟球结构还分密封和开式两种结构,开式是指轴承不带密封结构,密封型深沟球分为防尘密封和防油密封。防尘密封盖材料为钢板冲压,只起到简单的防止灰尘进入轴承滚道。防油型为接触式油封,能有效的阻止轴承内的润滑脂外溢。
单列深沟球轴承类型代号为6,双列深沟球轴承代号为4。其结构简单,使用方便,是生产最普遍,应用最广泛的一类轴承。
Copyright © 2023 上海盛博特机电科技有限公司 All Rights Reserved. 沪ICP备2023021132号-1