联系人:陈经理
手 机:15216812122
电 话:15000896443
地 址:上海市嘉定工业区叶城路912号J

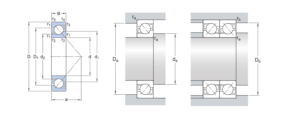
角接触球轴承主要承受较大单向轴向负荷,接触角度越大,承受负荷能力越大。保持架材料有钢板、黄铜或工程塑胶,成型方式有冲压或车削,视轴承形式或使用条件不同而选用。其它尚有组合角接触球轴承、双列角接触球轴承及四点接触球轴承。
角接触球轴承可同时承受径向负荷和轴向负荷。能在较高的转速下工作。接触角越大,轴向承载能力越高。高精度和高速轴承通常取15 度接触角。在轴向力作用下,接触角会增大。单列角接触球轴承只能承受一个方向的轴向负荷,在承受径向负荷时,将引起附加轴向力。 并且只能限制轴或外壳在一个方向的轴向位移。若是成对双联安装,使一对轴承的外圈相对,即宽端面对宽端面,窄端面对窄端面。这样即可避免引起附加轴向力,而且可在两个方向使轴或外壳限制在轴向游隙范围内。
角接触球轴承因其内外圈的滚道可在水平轴线上有相对位移,所以可以同时承受径向负荷和轴向负荷——联合负荷(单列角接触球轴承只能承受单方向轴向负荷,因此一般都常采用成对安装)。 保持架的材质有黄铜、合成树脂等,依轴承形式、使用条件而区分。
Copyright © 2023 上海盛博特机电科技有限公司 All Rights Reserved. 沪ICP备2023021132号-1