联系人:陈经理
手 机:15216812122
电 话:15000896443
地 址:上海市嘉定工业区叶城路912号J

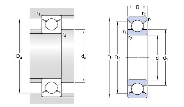
TIMKEN深沟球轴承构造
深沟球轴承结构简单,与别的类型相比易于达到较高的制造精度,所以便于成系列大批量生产,制造成本也较低, 使用极为普遍。深沟球轴承除基本型外, 还有各种变型结构,如:带防尘盖的深沟球轴承,带橡胶密封圈的深沟球轴承,有止动槽的深沟球轴承,有装球缺口的大载荷容量的深沟球轴承,双列深沟球轴承。
TIMKEN深沟球轴承用途应用
深沟球轴承可用于变速箱、仪器仪表、电机、家用电器、内燃机、交通车辆、农业机械、建筑机械、工程机械、滚轴式轮滑鞋、悠悠球等。
Copyright © 2023 上海盛博特机电科技有限公司 All Rights Reserved. 沪ICP备2023021132号-1